MSA
MSA è un dispositivo molto utile da utilizzare come riferimento laterale per la lamiera.
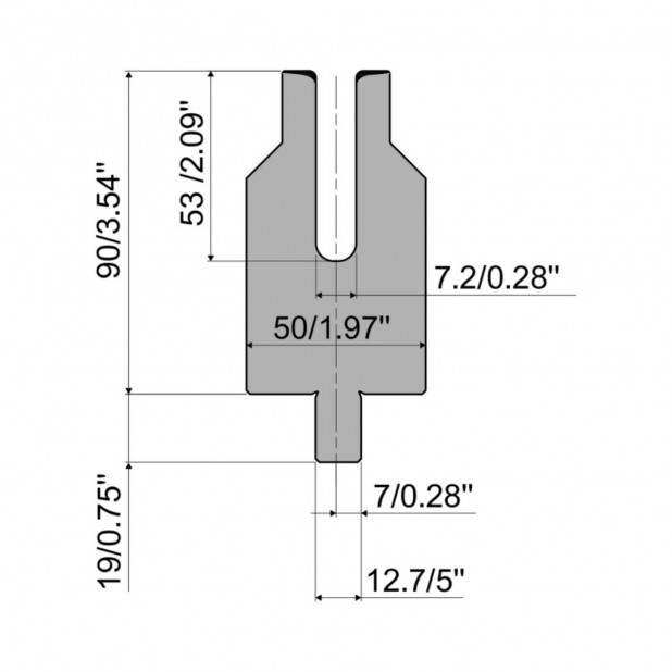
BLM130.24.30UTENSILI > PRESSE PIEGATRICI > Utensili Standard > Tipo R4: Matrici > B-LM90.T08.20B-LM90.T10.20
| Codice | Lunghezza | Peso [kg] | Prezzo | |
|---|---|---|---|---|
| BLM90.T08.20.510 | 510 mm | 15.50 |
|
|
| BLM90.T08.20.250 | 250 mm | 7.80 |
|
|
| BLM90.T08.20.550s | 550 mm F | 17.00 |
|
Matrice R4 piegaschiaccia con altezza di lavoro=90mm, α=20°, Raggio=0.8mm, Materiale=42Cr, Portata massima=360kN/m.
MSA è un dispositivo molto utile da utilizzare come riferimento laterale per la lamiera.